Глобальный интегрированный производитель интеллектуального взрывозащищенного электрооборудования с высокой энергоэффективностью
4008 606 956
Взрывозащищенные характеристики соответствуют
- Стандарту CENELEC
- стандарту IEC
- стандарту NEC
Подходит для
Зоны 1 и зоны 2
Зоны 21 и 22
Класс II, зона 1 и зона 2
Класс II, зона 1, газовая группа C, D
Алюминиевый корпус без содержания меди с напыленной пластмассой поверхностью.
Данное изделие имеет 6 типоразмеров корпусов.
Значение модели

Технические параметры
|
Взрывозащищенная рабочая колонна |
CN200-B (Ex db IIB+H2) |
|
Тип взрывозащиты газовый тип взрывозащиты пылевой тип взрывозащиты |
Ⅱ2G Ex db IIB T6/T4 gbⅡ2d Ex tb IIIC T80℃/T130℃ Db |
|
Исполнительный стандарт |
ГБ/Т 3836.1,ГБ/Т 3836.2,ГБ/Т 3836.3,ГБ/Т 3836.31 ЕН 60079-0, 60079-1 ВАННОЙ, ВАННАЯ 60079-31 60079-31,МЭК 60079-0, 60079-1 МЭК, МЭК |
|
Материал корпуса |
Алюминий без содержания меди, поверхность покрыта напылением пластика |
|
Цвет корпуса |
Стекло серое |
|
Открытые крепежные элементы |
Нержавеющая сталь |
|
Номинальное напряжение |
Макс. 415 В переменного тока |
|
Номинальный ток |
10 А |
|
Уровень защиты |
IP65, IP66 |
|
Заземление внутри и снаружи |
I, II, III: M6/M6; IV, V, VI: M6/M8; |
|
Температура окружающей среды |
-60℃~+55℃ |
|
Встроенные компоненты |
1. Технические параметры кнопки; 2. Технические параметры индикатора;3. Технические параметры переключателя управления;4. Технические параметры взрывозащищенного амперметра/вольтметра. |
|
Кабельный ввод |
Стандартный разъем M□ x 1,5 |
|
Устройство для ввода кабеля (опционально) |
Рекомендуем использовать CN970-II (Ex db) или CN970-III (Ex db). |
|
Способ установки |
Настенный монтаж |
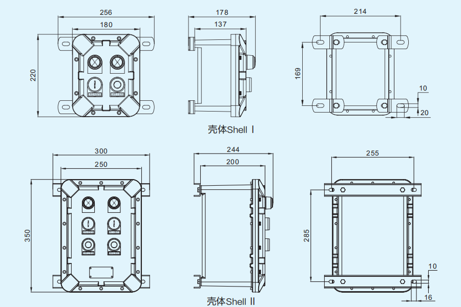
Принципиальная схема (все размеры в мм) -может быть изменена
